Bayrak ölçüleri Standart

Kırlangıç bayrak eni bir iken boyu bir buçuk yada iki olmalıdır.
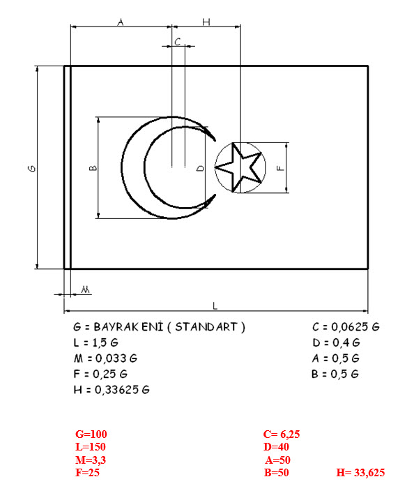
Bayrak ölçüleri standart. 1 x 1 5 cm türk bayrağı 2 x 3 cm türk bayrağı 3 x 4 5 cm türk bayrağı 4 x 6 cm türk bayrağı 5 x 7 5 cm türk bayrağı 6 x 9 cm türk bayrağı 7 x 10 5 cm türk bayrağı 8 x 12 cm türk bayrağı 10 x 15 cm türk bayrağı 12 x 16 cm türk bayrağı. Gönder bayrakları ve ülke bayrakları ölçüleri bire bir buçuk katı olmalıdır. T c bayrak kanunu ve tse ebadlarına göre türk bayrağı ölçüleri aşağıda verilmişitr. Bayrak direği 4 5 metre arası i̇çin bayrak 70x105 cm gönder bayrağı göndere çekilebilir.
Bayrak kanunu ve tse standardına göre türk bayrağı ölçüleri ve oranları ile üretilebilecek bayrak ölçüleri aşağıda verilmiştir. 4 x 6 cm türk bayrağı. 3 x 4 5 cm türk bayrağı. Tc bayrak kanunu ve tse ebatlarına göre türk bayrağı ölçüleri aşağıda verilmiştir.
4 x 6 cm türk bayrağı. Tüm bu ölçüler standarttır. Bayrak direği 7 10 metre arası i̇çin bayrak 150x225 cm gönder bayrağı göndere. Afiş bire iki katı masa bayrakları 15 22 5 cm olmalıdır.
T c bayrak kanunu ve tse ebatlarına göre türk bayrağı ölçüleri aşağıda verilmiştir. 1 x 1 5 cm türk bayrağı 2 x 3 cm türk bayrağı 3 x 4 5 cm türk bayrağı 4 x 6 cm türk bayrağı 5 x 7 5 cm türk bayrağı 6 x 9 cm türk bayrağı 7 x 10 5 cm türk bayrağı. 5 x 7 5 cm türk bayrağı. 7 x 10 5 cm türk bayrağı.
2 x 3 cm türk bayrağı. Bayrak direği 5 7 metre arası i̇çin bayrak 100x150 cm gönder bayrağı göndere çekilebilir. 5 x 7 5 cm türk bayrağı. T c bayrak kanunu ve tse boyutlarına göre türk bayrağı ölçüleri aşağıdaki gibi belirlenmiştir.
3 x 4 5 cm türk bayrağı. 3 x 4 5 cm türk bayrağı. Sınıf alpaka baskı kumaşından 100 polyester iplik kullanılarak üretilen türk bayrağı çeşitli hava koşullarına dayanıklı olarak imal edilmektedir. 1 x 1 5 cm türk bayrağı.
Yukarıdaki ölçüler bazı bayraklar için kullanılan standart ölçülerdir. 2 x 3 cm türk bayrağı. 6 x 9 cm türk bayrağı. 1 x 1 5 cm türk bayrağı.
7 x 10 5 cm türk bayrağı. 1 x 1 5 cm türk bayrağı. Gönder direği ölçüleri ve direk boyutlarına göre göndere çekilecek standart bayrak ölçüleri bayrak direği 4 5 metre arası i̇çin bayrak 70x105 cm gönder bayrağı göndere çekilebilir. Kırmızı renk ise yukarıda verilen değere göre olmalıdır.
Türk bayrağı ölçüleri normal standartlarda uzunluğu enine göre 1 5 kat uzun olacak şekilde üretilmektedir. 8 x 12 cm türk bayrağı. 6 x 9 cm türk bayrağı. Verilen bu ölçülere uymak şarttır.
2 x 3 cm türk bayrağı.